Đầu nối MC4 Leader 1500V (hay còn gọi là jack MC4) là thiết bị không thể thiếu trong việc kết nối các tấm pin năng lượng mặt trời, đảm bảo các mối nối luôn chắc chắn, an toàn, tránh rò rỉ và dẫn diện tốt.
MC4 Leader 1500V phù hợp với dây cáp DC điện năng lượng mặt trời loại 4mm và 6mm.
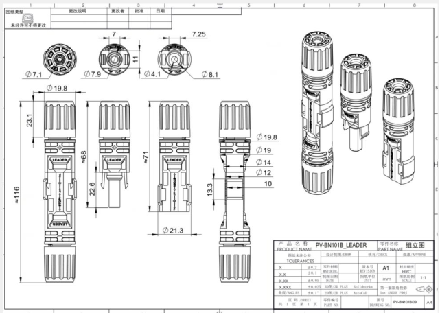
Thông số kỹ thuật MC4 PV-BN101B
- Thương hiệu: LEADER
- Model: PV-BN101B
- Chất liệu: Đồng, mạ bạc
- Chất liệu tiếp xúc: Đồng, mạ thiếc
- Điện áp định mức: TUV 1500V DC/ UL 200V DC
- Cường độ định mức: 20A~30A
- Tiết diện cáp phù hợp: 2.5mm²~6mm²/ 14AWG~8AWG
- Cấp bảo về: IP68(IEC 60529)
- Điện trở tiếp xúc: ≤5mΩ
- Mức độ chống cháy: UL94V-0

Đặc điểm thiết kế của đầu nối MC4 LEADER 1500V PV-BN101B
Sản phẩm được chứng nhận TUV / UL / CE, công nghệ hiện đại, đảm bảo tiếp xúc điện hiệu quả trọn đời.
Chất liệu cao cấp: Vỏ ngoài làm từ PPO có khả năng chống ăn mòn, chống tia cực tím cực mạnh, đáp ứng nhu cầu sử dụng trong môi trường ngoài trời khắc nghiệt. Lõi kết nối dày bằng đồng, chắc chắn, đảm bảo mối nối dẫn điện tốt, an toàn hệ thống.
Vòng chống thấm cường độ cao: Khả năng chống thấm cực kỳ mạnh mẽ, đạt tiêu chuẩn IP68, chịu được ảnh hưởng khắc nghiệt từ thời tiết ngoài trời nóng ẩm, mưa nhiều.
Khả năng tương thích: Đầu nối dễ dàng kết nối những loại lõi cáp năng lượng mặt trời khác nhau: 2.5 mm2, 4mm2 và 6mm2. Tương thích với đầu nối năng lượng mặt trời cáp MC4 PV-KBT4/ KST4.
Cách đấu nối đầu nối pin năng lượng mặt trời MC4: Việc lắp rắp kết nối đầu nối MC4 Leader này cũng không quá khó khăn, dễ dàng, an toàn, độ bền cơ học cao.
Ưu Điểm Nổi Bật Của MC4 Leader:
- Độ bền bỉ tối đa: Lớp vỏ PPO chống tia cực tím, ăn mòn và chống thấm hiệu quả, lý tưởng cho mọi môi trường lắp đặt.
- Hiệu suất dẫn điện vượt trội: Lõi kết nối bằng đồng đảm bảo sự chắc chắn, an toàn và khả năng dẫn điện tối ưu.
- Lắp đặt tiện lợi: Thiết kế thân thiện giúp việc kết nối trở nên dễ dàng và nhanh chóng.
Đầu nối MC4 Leader 1500V PV-BN101B là lựa chọn thông minh để đảm bảo hệ thống năng lượng mặt trời của bạn luôn hoạt động ổn định, an toàn và hiệu quả.
KT Solar – Nhà Phân Phối Thiết Bị Điện Mặt Trời Tại Việt Nam
Chúng tôi cung cấp giải pháp trọn gói điện mặt trời dân dụng và công nghiệp:
🔧 Biến tần chính hãng – giá tốt từ nhà máy
🔧 Kèm theo tấm pin, khung giá, tủ điện, hệ thống giám sát
🔧 Tư vấn thiết kế, lắp đặt, bảo trì tận nơi
🔧 Chính sách bảo hành điện tử, hỗ trợ kỹ thuật nhanh chóng
Liên Hệ KT SOLAR NGAY HÔM NAY
CÔNG TY TNHH XÂY DỰNG VÀ DỊCH VỤ KỸ THUẬT KT
📞 Hotline/Zalo: 0915 292 355
📧 Gmail: sales@ktsolar.vn
🌐 Website: www.ktsolar.vn
📘 Facebook: KT Solar – Cung Cấp Giải Pháp Điện Mặt Trời
🏢 Văn phòng: Lô 17 1A-A8 KDC Vạn Tường, Hòa Khánh Bắc, Liên Chiểu, Đà Nẵng
Kho Đà Nẵng: Lô 17 1A-A8 KDC Vạn Tường, Hòa Khánh Bắc, Liên Chiểu, Đà Nẵng
Kho Hà Nội: Số 16 TT4, KĐT Xuân Phương Tasco, P. Xuân Phương, Q. Nam Từ Liêm, Hà Nội
Kho Sài Gòn: Số 212, Thạnh Xuân 52, Quận 12, TP. Hồ Chí Minh
Kho Nghệ An: Số 300 Hồng Liễu, Xã Nghi Kim, TP. Vinh, Nghệ An
Kho Mê Linh:Jupiter SCM Việt Nam
Kho Bình Dương: 3A/1, Khu phố 1A, An Phú, Thuận An, Bình Dương

Inverter DEYE 50kW Hybrid 3 Pha SUN-50K-SG01HP3-EU-BM4 
Đánh giá
Chưa có đánh giá nào.